Skip to content Skip to sidebar Skip to footer

38 arinc 429 label definitions

Arinc 429 interfaces - thegoebelcompany.com Our Arinc 429 cards feature configurable rx/tx on every channel to provide maximum usefulness from single card. Configurable channels provide the confidence of being able to BIT (Built In Test) test or even CBIT (Continuous Built In Test) channels without physical reconfiguration. PDF ARINC 429 Tutorial - Aim Online ARINC 429 specifies two speeds for data transmission. Low speed operation is stated at 12.5 kHz, with an actual allowable range of 12 to 14.5 kHz. High speed operation is 100 kHz 1% allowed. These two data rates can not be used on the ± same transmission bus. Data is transmitted in a bipolar, Returnto-Zero format.

ARINC - Wikipedia ARINC 429 is the most widely used data bus standard for aviation. Electrical and data format characteristics are defined for a two-wire serial bus with one transmitter and up to 20 receivers. ... ARINC 839 is a function definition of airborne manager of air-ground interface communications (MAGIC) ARINC 840 defines the Application Control ...

Arinc 429 label definitions

Arinc 429 label definitions

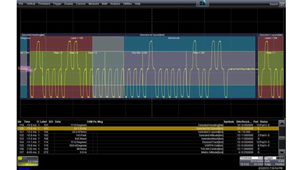
arinc 429 - How to identify transmit labels for a particular equipment ... As Gerry mentioned in their comment, the equipment ID label (377) indicates to the receiver how to decode the labels being received on that ARINC 429 channel. The transmitting equipment (Tire Pressure Monitoring System) would send label 377 with the value 03C at it's appropriate rate (usually every 1000 ms) and then labels 060 through 064 at their appropriate rate. PDF LeCroy ARINC 429 and Symbolic Decode Datasheet Quickly view valuable information for each ARINC 429 word, such as Label, SDI, Data, SSM, Parity, and symbolic message. Search can locate up to 14 selectable criteria, or narrow down the search by ... Decode Setup Threshold definition required. Default is to Percent amplitude Choose bitrate Select viewing control to determine payload format Understanding the ARINC 429 Labels List | Excalibur Systems The Purpose of Labeling Ultimately, an ARINC 429 labels list is supposed to identify the type of data being transmitted as part of a data word. This helps with clarifying the exact intent of any instructions sent or the proper use of any data collected and reported.

Arinc 429 label definitions. ARINC 429 Decoder - LAHNISS This is the exhaustive ARINC 429 User's Manual with the latest additions. The key information is also reflected in the Table below. 2: ... The User Label Definition File (ULDF) allows a customised annotation of subfields of the Data region in the ARINC message. A simple example is given here, for Label 213, with a 5 bit binary Signal positioned ... ARINC429P1-19: DIGITAL INFORMATION TRANSFER SYSTEM ... - SAE International This document provides the standard formats for data parameters and status words transferred between avionic systems. It specifies the physical data bus, electrical characteristics, and data formats. Supplement is 19 is a routine update that defines new ARINC 429 data words, new labels, new equipment IDs, and new System Address Labels (SAL). Arinc 429 Labels. - Airliners.net Arinc 429 Labels. The more advanced forum for those of you who want to dig deeper into technical issues as well as airline management and operations. A forum for both professionals and knowledgeable amateurs. DATAIR-400 M3 | ARINC 429 Label Definition Software | YED Avionics DATAIR-400/M3SW - ARINC 429 Label Definition Software. DATAIR-400/M3 Label Definition Serial Communication software is a tool for defining custom Labels on your PC for use on your DATAIR-400/M3. Although it is possible to define custom labels on the DATAIR-400/M3 directly, some customers prefer to do this on a PC and then download these definitions to their DATAIR-400/M3.

PDF ARINC 429 Decoder, Users Manual - LAHNISS Since its first release, countless improvements have been made to the ARINC 429 Decoder. The vast majority of those pertain to the Symbolic Decoding, driven by the User Label Definition files. The system has become clearer, and easier to use for those wishing to harness the power of symbolic decode. ARINC 429 and MIL-STD-1553 - DEWETRON In short, ARINC 429 is a bus standard for avionics systems. Avionics is a collective term for all electrotechnical systems in airplanes or space travel. Most commercial aircrafts (cargo or passenger airplanes) use ARINC 429, but there is also a light variant, which private or sports aircrafts use. ARINC 429 - Avionics Interface Technologies — A Teradyne Company Label Selective Trigger for Capture/Filtering; Real-Time Recording and Post Analysis of Multiple Channels; USB. UXI-429. ARINC 429 USB & LAN Test & Simulation Module . PXI Express. PXIe-C429. ... AIT's ARINC 429 XMC, PMC, and PC/104+ modules are rugged, reliable, full featured interface modules designed to provide dependable ARINC 429 ... Arinc 429 Label List - Features Agilynx - Lincoln Downing Lrn and cni bit definitions list the label codes output primarily by long range. Each aircraft will contain a . Figure 2 arinc 429 search tab, when zoom focused on decoded trace. ... Ultimately, an arinc 429 labels list is supposed to identify the type of data being transmitted as part of a data word. Label guidelines are provided as part of ...

Arinc 429 Analyzer ARINC 429 Reader Monitor DATAIR-400M3 Standard ARINC 429-15 Label definitions for Tx included - selection by Equipment ID code. User definable and custom ARINC 429 label definitions - with save, suspend or delete. Up to 10 Transmitter profiles for saving various configurations for use in the Lab / Workshop. Data entry in binary, Hexadecimal or engineering Units (BCD and BNR) PDF MARK 33 DIGITAL INFORMATION TRANSFER SYSTEM (DITS ... - toddheffley.com Table 2 from ARINC Specification 429 Part 1 provides baseline definition of Label 335, Track Angle Rate data. "Notes" column is expanded to show the system acronym for each of the sources identified by the "Equipment ID". Positivr sense is specified as CW (clockwise) to conform to ARINC 705, AHRS, and ARINC 718A, Transponder. 6. PDF Alta ARINC Summary - Alta Data Technologies Standard EQID/Label Definitions The ARINC 429 specification includes extensive lists of "industry standard" label definitions organized by "equipment ID" (or EQID). The EQID is a 3-digit hexadecimal number (000 to FFF), allowing for 4096 possible equipment IDs. Each EQID contains a set of defined labels. How to decode ARINC 429 data? - Aviation Stack Exchange ARINC 429 is a defined standard that not only describes the packet structure (32 bits) but also the data formats for different labels depending on the equipment ID. To know how to properly decode an ARINC 429 label you need to know the Equipment ID, which can then be used to look up the meaning of a specific label.

GAMA PUBLICATION NO. 11 ARINC 429, GENERAL AVIATION SUBSET ...

GAMA PUBLICATION NO. 11 ARINC 429, GENERAL AVIATION SUBSET ...

ARINC 429 Specification Overview - Aim Online The ARINC 429 Specification defines the standard requirements for the transfer of digital data between avionics systems on commercial aircraft. ARINC 429 is also known as the Mark 33 DITS Specification. Signal levels, timing and protocol characteristics are defined for ease of design implementation and data communications on the Mark 33 Digital Information Transfer System (DITS) bus.

Confluence Mobile - Wiki OPAL-RT

Confluence Mobile - Wiki OPAL-RT

ARINC 429 - Wikipedia ARINC 429, "Mark33 Digital Information Transfer System," is also known as the Aeronautical Radio INC. technical standard for the predominant avionics data bus used on most higher-end commercial and transport aircraft. It defines the physical and electrical interfaces of a two-wire data bus and a data protocol to support an aircraft's avionics local area network.

DATAIR-400/M3

DATAIR-400/M3

ARINC 429 Tutorial, Advanced Interface Cards & More | Excalibur Systems ARINC 429 is one of the most prevalent specifications in use today for communicating between avionics components on commercial aircraft. It was created in response to lessons learned from the use of older equipment specified by ARINC 419. If you are new to ARINC-429 you may wish to check out our tutorial below. Click for ARINC-429 Products

A Designer's Guide to ARINC 429 Standard Specification 2022

A Designer's Guide to ARINC 429 Standard Specification 2022

ARINC-429 Tutorial and Reference - Aerospace DAQ, Test, HIL - UEI ARINC-429 defines the standard requirements and protocols for the transportation of digital data between avionic systems in commercial aircraft. These standards are followed by equipment manufacturers, enabling the interchangeability of avionics equipment.

429EX ARINC 429 DATABUS ANALYZER Data Sheetaeroflex-cdip.ru ...

429EX ARINC 429 DATABUS ANALYZER Data Sheetaeroflex-cdip.ru ...

PDF ARINC 429 DETAILED - Tech-Aid Products among the labels as you go from the original ARINC 429P1-15 specification to the GAMA ARINC 429 specification and most equipment configuration routines will reflect this. Label 371 is used to identify the equipment by manufacturer. This label contains a hexadecimal equipment ID code (bits 11-18) followed by a binary company ID code (bits 19-24).

ARINC 429 Decoder

ARINC 429 Decoder

Download document 'ARINC 429 Selector Guide' - Holt Integrated Circuits ... ARINC 429. Line Drivers; Protocol ICs with Parallel Interface; Line Receivers; Protocol ICs with SPI Interface; Data Management and Protocol Bridges; LCD Display Drivers; ARINC 825 (CAN) Discrete-to-Digital; RS485 / 422; ARINC 717; Analog Switches; Ethernet; Tech Docs. Quality. Quality Systems; Certifications; Package Process Options; Issues ...

ARINC-429 Tutorial and Reference - Aerospace DAQ, Test, HIL - UEI

ARINC-429 Tutorial and Reference - Aerospace DAQ, Test, HIL - UEI

MX Foundation 4: ARINC 429 Specification - maxt.com ARINC 429, "Mark 33 Digital Information Transfer System (DITS)," is a technical specification for an avionics data bus used on most high-end commercial and transport aircrafts. At the physical layer, it features communication of data words over unidirectional, two-wire, bipolar electrical interface. Bit-encoding and decoding is controlled by a ...

Rohde and Schwarz RTM-K7 - ARINC 429 Serial Triggering and Decoding for  RTM3000

Rohde and Schwarz RTM-K7 - ARINC 429 Serial Triggering and Decoding for RTM3000

ARINC Reader - 429EBP | Aircraft Tool Hire Ltd The Aeroflex 429EBP Transmitter/Receiver allows avionic maintenance and line maintenance personnel with an easy method for troubleshooting ARINC 429 avionics systems. The 429EBP has unique label definitions designed to facilitate the testing of Boeing aircraft avionics. AEROFLEX 429EBP Alt Part Number to: 01-1001-12, 702125-01, 800-0630, DT400H,

Alta ARINC Summary

Alta ARINC Summary

Gama Publication No. 11 Arinc 429, General Aviation Subset standard label codes for use in avionics equipment. these label codes are based on arinc specification 429-12, "mark 33 digital information transfer system (dits)", published july 1, 1990. these label codes are a supplement to and not a replacement for the label codes listed in the above mentioned, and subsequent, arinc specifications. 1.2 changes

AltaView for ARINC-429 (A429) - ppt download

AltaView for ARINC-429 (A429) - ppt download

ARINC 429 - Wikipedia ARINC 429 ist ein in den 1970ern entwickelter und in den 1980ern eingeführter Datenbus-Standard für Verkehrsflugzeuge. Es wird zwischen einem Highspeed- und ...

Latitude fine (120) - gps, Longitude fine (121) - gps ...

Latitude fine (120) - gps, Longitude fine (121) - gps ...

A Designer's Guide to ARINC 429 Standard Specification 2022 ARINC 429 data words are 32-bit words made up of five primary fields: • Parity - 1-bit. ARINC uses odd parity as an error check to ensure precise data reception. The number of transmitted Logic 1s in each word is an odd number, with bit 32 set or cleared to get the odd count. ARINC 429 specifies no method of error correction, only error detection.

ARINC 429 — CertSAFE documentation

ARINC 429 — CertSAFE documentation

Understanding the ARINC 429 Labels List | Excalibur Systems The Purpose of Labeling Ultimately, an ARINC 429 labels list is supposed to identify the type of data being transmitted as part of a data word. This helps with clarifying the exact intent of any instructions sent or the proper use of any data collected and reported.

Oscilloscope Debugging of ARINC 429 Serial Buses - EEWeb

Oscilloscope Debugging of ARINC 429 Serial Buses - EEWeb

PDF LeCroy ARINC 429 and Symbolic Decode Datasheet Quickly view valuable information for each ARINC 429 word, such as Label, SDI, Data, SSM, Parity, and symbolic message. Search can locate up to 14 selectable criteria, or narrow down the search by ... Decode Setup Threshold definition required. Default is to Percent amplitude Choose bitrate Select viewing control to determine payload format

A429-BAST ARINC 429 Bus Analyzer and Simulator - TechSAT GmbH

A429-BAST ARINC 429 Bus Analyzer and Simulator - TechSAT GmbH

arinc 429 - How to identify transmit labels for a particular equipment ... As Gerry mentioned in their comment, the equipment ID label (377) indicates to the receiver how to decode the labels being received on that ARINC 429 channel. The transmitting equipment (Tire Pressure Monitoring System) would send label 377 with the value 03C at it's appropriate rate (usually every 1000 ms) and then labels 060 through 064 at their appropriate rate.

gama publication no. 11 arinc 429, general aviation subset

gama publication no. 11 arinc 429, general aviation subset

ARINC 429-16

ARINC 429-16

ARINC-429 Tutorial and Reference - Aerospace DAQ, Test, HIL - UEI

ARINC-429 Tutorial and Reference - Aerospace DAQ, Test, HIL - UEI

EUROCONTROL

EUROCONTROL

ARINC-429 Tutorial and Reference - Aerospace DAQ, Test, HIL - UEI

ARINC-429 Tutorial and Reference - Aerospace DAQ, Test, HIL - UEI

PPT - AltaView for ARINC-429 (A429) PowerPoint Presentation ...

PPT - AltaView for ARINC-429 (A429) PowerPoint Presentation ...

AVIONICS: DATABUS ANALYZERS DT 4000 ARNIC 429 | Contact AEROFLEX

AVIONICS: DATABUS ANALYZERS DT 4000 ARNIC 429 | Contact AEROFLEX

8221468 Dual Channel Spacing Aeronautical Transceiver User ...

8221468 Dual Channel Spacing Aeronautical Transceiver User ...

ARINC Specification 429P3-19

ARINC Specification 429P3-19

429P1-17 Errata1 PDF | PDF

429P1-17 Errata1 PDF | PDF

Webinar Slides: Efficient Testing of ARINC 429 LRUs by ...

Webinar Slides: Efficient Testing of ARINC 429 LRUs by ...

ARINC 429 Revisited | Manualzz

ARINC 429 Revisited | Manualzz

A Designer's Guide to ARINC 429 Standard Specification 2022

A Designer's Guide to ARINC 429 Standard Specification 2022

Teledyne LeCroy HDO4K-ARINC429BUS DSYMBOLIC Oscilloscope ...

Teledyne LeCroy HDO4K-ARINC429BUS DSYMBOLIC Oscilloscope ...

Webinar Slides: Efficient Testing of ARINC 429 LRUs by ...

Webinar Slides: Efficient Testing of ARINC 429 LRUs by ...

Confluence Mobile - Wiki OPAL-RT

Confluence Mobile - Wiki OPAL-RT

ARINC 429 REQUEST FORM

ARINC 429 REQUEST FORM

ARINC 429 Functional Description Part 3 | PDF

ARINC 429 Functional Description Part 3 | PDF

avionics - Is there a such thing as an ARINC label for the ...

avionics - Is there a such thing as an ARINC label for the ...

Maintenance & Avionics - Mysteries of ARINC407 and ARINC429

Maintenance & Avionics - Mysteries of ARINC407 and ARINC429

Alta ARINC Summary

Alta ARINC Summary

ARINC 429 - Wikipedia

ARINC 429 - Wikipedia

ARINC 429 Tutorial

ARINC 429 Tutorial

LAMPIRAN KEPUTUSAN DIREKTUR JENDERAL PERHUBUNGAN UDARA

LAMPIRAN KEPUTUSAN DIREKTUR JENDERAL PERHUBUNGAN UDARA

Post a Comment for "38 arinc 429 label definitions"